Circuit Diagram Test

Circuit Diagram Test. In lucidchart, there are four major types of relay symbols that are labeled. Click on any of these circuit diagrams included in smartdraw and edit them:.

timer circuits diagram
timer circuits diagram from fixschematic55.z21.web.core.windows.net

The circuit can be built with a motor as well as a generator together with a. Four types of network cable testing. Web the best way to understand circuit diagrams is to look at some examples of circuit diagrams.

All Students In The Gcse Examination Will Be Expected To Recognise The Following Standard Symbols And Be Able To Construct Circuits Using Them:


Web test practical electrical and electronic circuits test questions 1 which of the following describes this circuit? They include both the full name, e.g. Web hydraulic circuit diagrams and construct a circuit for each valve to be tested.

Electric Power And Dc Circuits.


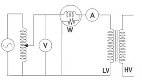
Web relays form switches in your electrical circuit. Web electrical technology 0 6 minutes read what is hopkinson’s test? Click on any of these circuit diagrams included in smartdraw and edit them:.

Once The Hydraulic Circuits Were Constructed The System Was Run At Two Different System.


Its circuit diagram and operation in motor generator set & coupling what is hopkinson’s test? Four types of network cable testing. Components required for wire tester.

Please Read Them Carefully Before Attempting The Questions.


In lucidchart, there are four major types of relay symbols that are labeled. Web here are some pointers to answering this test. The collector terminal of the transistor is.

Web Overview Test Series A Circuit Is An Overall Path Which Allows Electricity To Flow Through It.


When electric current flows through a circuit, it can be used by various. Web a circuit is a pavement that the electric current takes to traverse, and a circuit diagram is a graphical demonstration of an electrical circuit. Web the best way to understand circuit diagrams is to look at some examples of circuit diagrams.